Pemantau Kecepatan dan Arah Angin
PEMANTAU
KECEPATAN DAN ARAH ANGIN
Ahmad
Jamiluddin Septya Ekavian1, Royand2, Waluyo
Febrianto3
Samuel
BETA4
Prodi
Teknik Elektronika Jurusan Teknik Elektro Politeknik Negeri Semarang
Jl.
Prof. H. Soedarto, SH, Tembalang, Semarang, 50275
E-mail : 1ahmadjamiluddin22@gmail.com, 2royand99@yahoo.co.id, 3waluyofebrianto01@gmail.com, 4sambetak2@gmail.com
Abstrak
Nelayan
Indonesia belum begitu mengerti tentang ilmu pengetahuan dan teknologi
khususnya dalam dunia kelautan , mereka masih menggunakan perkiraan tentang
cuaca laut sebelum mencari ikan ke laut. Perubahan cuaca di tengah laut yang
sangat cepat akan membahayakan nelayan, maka dari itu dibutuhkan alat untuk
mengetahui cuaca di tengah laut untuk mengurangi resiko kecelakaan ketika
terjadi perubahan cuaca yang sangat cepat.
Pemantau Cuaca Laut Secara Realtime merupakan
alat yang dapat mengirimkan data berupa kecepatan dan arah angin. Alat ini menggunakan ARM sebagai pengolah data dan Teknologi LoRa (Long Range) sebagai media untuk
pengiriman data, dilengkapi juga dengan peringatan dini jika terjadi suatu
cuaca buruk yang akan dikirimkan ke pesisir (pantai) sehingga masyarakat
pesisir mengetahui jika terjadi cuaca buruk di tengah laut.
Kata Kunci :
Nelayan, Cuaca, Arduino , LoRa
Abstract
Indonesian fishermen have not really
understood the science and technology especially in the marine world, they
still use the forecast of sea weather before fishing to the sea. Rapid weather
changes in the middle of the sea will endanger fishermen, so it is necessary
tool to know the weather in the middle of the sea to reduce the risk of
accidents when the weather changes very quickly. Realtime Sea Weather Monitor
is a tool that can transmit data such as wind speed and direction. This tool uses ARM as
a data processor and LoRa Technology (Long Range) as a medium for data
transmission, equipped with an early warning if there is a bad weather that
will be sent to the coast (coast) so that coastal communities know if there is
bad weather in the middle of the sea.
Keywords:
Fisherman, Weather, Arduino, LoRa
BAB I
PENDAHULUAN
1.1 Latar Belakang
Dalam segi ilmu pengetahuan dan teknologi
khususnya dalam dunia kelautan nelayan Indonesia masih kurang. Saat ini masih
banyak nelayan tradisional yang menggunakan perkiraan tentang cuaca laut sebelum
mencari ikan ke laut. Teknologi yang terlalu canggih juga akan membingungkan
nelayan untuk menggunakan teknologi tersebut. Dilansir dari surat kabar
elektronik.
Sistem pemantauan cuaca di laut secara
realtime atau langsung yang memanfaatkan teknologi komunikasi LoRa (Long Range) yang dapat mengirimkan data berupa kecepatan
angina dan arah angin dari tengah laut ke
desa pesisir dan dilengkapi juga dengan peringatan dini saat cuaca laut dalam
kondisi darurat. Hal tersebut dapat digunakan nelayan untuk mengetahui kondisi
laut sebelum mereka mencari ikan ditengah laut. Alat ini juga dapat dibawa oleh
nelayan saat berlayar jadi cuaca laut dapat terpantau secara langsung.
1.2 Rumusan Masalah
Berdasarkan latar belakang diatas maka
dapat dirumuskan permasalahan sebagai berikut:
1. Bagaimana membuat dan merancang Pemantau Kecepatan dan Arah Angin
2. Bagaimana
cara menampilkan hasil
pengukuran pada sebuah tampilan LCD 16x2.
3. Bagaimana
cara mengatur alat
Pemantau Kecepatan dan Arah Angin agar sesuai
dengan
kecepatan dan arah mata angin yang sebenarnya.
1.3 Ruang Lingkup
Berdasarkan rumusan masalah diatas, agar pembahasan terfokus pada
perumusan masalah yang akan dibahas pada alat ini sebagai berikut :
a. Sensor
kecepatan angin menghasilkan pulsa yang selanjutnya di konversi ke dalam satuan
KNOT.
b. Optocoupler
sebagai sensor kecepatan angin serta Photo Transistor dan LED Infrared sebagai
sensor arah angin.
1.4 Tujuan
Tujuan dari pembuatan
Proyek ARM ini adalah :
a. Membantu orang awam
terutama nelayan untuk menentukan kecepatan dan arah angin.
b. Menampilkan hasil kecepatan
dan arah mata angin pada sebuah tampilan LCD 16x2 agar lebih mudah dalam
pembacaannya.
c. Membuat
inovasi untuk menciptakan alat yang
mudah digunakan dengan biaya terjangkau.
BAB II
TINJAUAN PUSTAKA
2.1 Optocoupler
Gambar 2.1 Optocoupler
2.2 Phototransistor
Photo Transistor adalah Transistor yang dapat mengubah
energi cahaya menjadi listrik dan memiliki penguat (gain) Internal. Penguat
Internal yang terintegrasi ini menjadikan sensitivitas atau kepekaan Photo
Transistor terhadap cahaya jauh lebih baik dari komponen pendeteksi cahaya
lainnya seperti Photo Diode ataupun Photo Resistor. Cahaya yang diterima oleh
Photo Transistor akan menimbulkan arus pada daerah basis-nya dan menghasilkan
penguatan arus hingga ratusan kali bahkan beberapa ribu kali. Photo
Transistor juga merupakan komponen elektronika yang digolongkan sebagai
Transduser.
Gambar 2.2 Photo Transistor
2.3 Led
Infrared
LED Infra merah adalah
sebuah benda padat penghasil cahaya, yang mendekati/menghasilkan spectrum
cahaya infra merah. LED (diode cahaya)Infra merah menghasilkan panjang gelombang yang sama dengan
yang biasa diterima oleh photodetektor silikon. Oleh karena itu LED infra merah
bisa dipasangkan dengan foto transistor dan foto
diode. LED inframerah sama
seperti LED biasa hanya saja output cahayanya tidak dapat dilihat dengan mata
telanjang. Untuk melihat cahaya LED inframerah, kita dapat menyalakannya dengan
baterai dan menambahkan resistor, kemudian melihatnya menggunakan sebuah kamera
ponsel. Dengan demikian akan terlihat pencahayaan pada layar. LED inframerah
terkadang bening dan kadang berwarna hitam. Mereka beroperasi sama seperti LED
merah dengan karakteristik yang sama, drop tegangan sekitar 1.7v. Kadang-kadang
LED inframerah berdenyut dengan arus tinggi untuk jangka waktu yang sangat
singkat tetapi hal yang perlu diingat adalah penyerapan daya LED 5mm adalah
sekitar 70mW. Ini berarti arus konstan tidak boleh lebih dari 40mA.
LED inframerah juga
disebut TRANSMITTING LED karena mereka memancarkan cahaya. Ini dinamakan
panjang Tx (untuk transmisi). Sebuah LED inframerah dapat dihubungkan ke suplai
5V melalui resistor pembatas arus 220R untuk arus 15mA. Receiver inframerah
(Rx) dapat terlihat persis seperti LED inframerah, tetapi led ini tidak memancarkan
cahaya IR. Led ini mendeteksi pencahayaan inframerah dan harus terhubung dengan
cara yang benar dalam sebuah rangkaian. Mereka memiliki resistansi yang sangat
tinggi jika tidak menerima iluminasi IR dan resistansi menurun dengan
meningkatnya iluminasi.
Gambar 2.3 LED Infrared
2.4 ARM NUC120RXXBN
DT-ARM
C120 Board merupakan modul pengembangan mikrokontroler NUC120RD2BN yang
berbasis CPU ARM Cortex-M0 dari Nuvoton. Modul ini dapat bekerja dengan
kecepatan CPU
sampai dengan 48 MHz. Modul ini juga telah dilengkapi dengan bootloader
internal, sehingga tidak diperlukan lagi device programmer eksternal.
Pemrograman melalui bootloader bisa dilakukan dengan menggunakan koneksi USB.
2.4
Gambar ARM NUC120RXXBN
2.5 LCD (Liquid Crystral Display)
LCD (Liquid Cristal
Display) adalah salah satu jenis display elektronik yang dibuat dengan
teknologi CMOS logic yang bekerja dengan tidak menghasilkan cahaya tetapi
memantulkan cahaya yang ada di sekelilingnya terhadap front-lit atau
mentransmisikan cahaya dari back-lit. LCD (Liquid Cristal Display) berfungsi
sebagai penampil data baik dalam bentuk karakter, huruf, angka ataupun grafik.
Gambar 2.3 LCD 16x2
BAB III
METODOLOGI PENELITIAN
Metode yang digunakan dalam pembuatan pemantau kecepatan dan arah angin adalah sebagai berikut:
1.
Metode Persiapan
Berisikan tentang pemilihan materi serta jurnal yang akan dijadikan
dasar atau literatur dalam pembuatan pemantau kecepatan dan arah angin.
2.
Metode Perencanaan
Menentukan rancangan sistem, alat, serta program aplikasi yang akan
digunakan dalam pembuatan pemantau kecepatan dan arah angin.
3.
Metode Perancangan
Proses pembuatan pemantau kecepatan dan arah angin. Pembuatan program sensor kecepatan dan sensor arah angin sebagai masukan dan LCD sebagai luaran pada
Arduino Uno.
4. Pengujian Alat
Melakukan pengujian pemantau kecepatan dan arah angin. Apakah sudah sesuai rencana atau belum.
5. Tahap
Penyusunan Laporan
Menyusun laporan hasil dari pembuatan alat dalam bentuk laporan
penelitian.
BAB IV
PERANCANGAN ALAT
Bab ini akan dibahas tentang perancangan dan
pembuatan pemantau kecepatan dan arah angin. Perancangan system ini meliputi
perancangan perangkat lunak (software)
dan perangkat keras (hardware).
4.1
Perangkat keras dan Rangkaian Elektronika
Adapun komponen yang digunakan adalah:
1.
Optocoupler
2.
Photo Transistor
3.
Led Infrared
4.
ARM NUC120RXXBN
5.
LCD 16x2
4.2
Perancangan Diagram Blok
Gambar 4.1 Diagram Blok
4.3
Cara Kerja Alat
Masukan dari sistem ini adalah sensor kecepatan (optoocoupler) dan sensor arah angin (phototransistor dan led infrared).
Alat kecepatan angin bekerja jika angin
menerpa baling-baling. Baling-baling akan memutar retory encoder sehingga
menghasilkan pulsa. Kemudian pulsa tersebut dikonversi ke dalam satuan KNOT.
Alat arah mata angin cara kerjanya sama dengan alat kecepatan angin namun tidak
menghasilkan pulsa melainkan menunjukkan arah mata angina dengan bujur anak
panahnya.
4.4 Perancangan Perangkat Keras
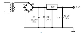
Membuat rancangan perangkat keras meliputi pembuatan rangkaian elektronik untuk catu daya dan sistem secara keseluruhan. Berikut adalah gambar dari rangkaian yang dibuat.
Membuat rancangan perangkat keras meliputi pembuatan rangkaian elektronik untuk catu daya dan sistem secara keseluruhan. Berikut adalah gambar dari rangkaian yang dibuat.
1. Rangkaian catudaya
Dalam perancangan perangkat keras ini menggunakan IC regulator 7805 dan IC 7809 maka dapat dihasilkan tegangan yang dibutuhkan untuk mengaktifkan ARM dan luaran yang digunakan.
Dalam perancangan perangkat keras ini menggunakan IC regulator 7805 dan IC 7809 maka dapat dihasilkan tegangan yang dibutuhkan untuk mengaktifkan ARM dan luaran yang digunakan.
Gambar 4.2 Rangkaian catudaya
2. Rangkaian alat
Pada gambar di bawah ini ditunjukkan keseluruhan rangkaian yang dilengkapi dengan pengawatan yang menunjukkan terletak di pin mana saja masukan dan luaran alat.
Gambar 4.3 Rangkaian alat
Pada gambar dibawah ini ditunjukkan pengawatan pin ARM dengan komponen
lainnya.
Gambar 4.4 Pengawatan dalam
Gambar 4.5 Pengawatan luar
4.5 Perancangan Perangkat Lunak
Perangkat lunak ini berfungsi untuk mengatur
kinerja secara keseluruhan dari sistem. Perangkat lunak untuk
alat ini menggunakan software CooCox CoIDE. Untuk memberikan
gambaran umum jalannya program dan memudahkan pembuatan perangkat lunak maka
dibuatlah diagram alir sebagai berikut:
Gambar 4.6 Diagram Alir
BAB V
DAFTAR PUSTAKA
PENGUJIAN ALAT
Setelah uji coba alat. berikut hasil yang diperoleh:
1. Alat dapat mengukur kecepatan dan arah mata angin.
2. Putaran rotary encoder menghasilkan pulsa dan dikonversikan ke dalam satuan KNOT
3. Arah mata angin bergerak sesuai dengan tiupan angin.
4. Indikator arah mata angin dihasilkan oleh putaran piringan yang diberi sebuah lubang dan dilengkapi komponen phototransistor dan LED Infrared.
4. Indikator arah mata angin dihasilkan oleh putaran piringan yang diberi sebuah lubang dan dilengkapi komponen phototransistor dan LED Infrared.
DAFTAR PUSTAKA
[1] Belajar Mikrokontroler 2016. Tersedia : http://belajar-mikrokontroler-2016.blogspot.co.id/
[2] Pengertian Optocoupler dan Prinsip Kerjanya. [online] : http://teknikelektronika.com/pengertian-optocoupler-fungsi-prinsip-kerja-optocoupler/
[3] Pengertian Photo Transistor dan Prinsip Kerjanya. [online] : http://teknikelektronika.com/pengertian-photo-transistor-prinsip-kerja-phototransistor/
[4] Liguid Crystal Display (LCD) 16 x 2. [online] : http://www.leselektronika.com/2012/06/liguid-crystal-display-lcd-16-x-2.html
[3] Pengertian Photo Transistor dan Prinsip Kerjanya. [online] : http://teknikelektronika.com/pengertian-photo-transistor-prinsip-kerja-phototransistor/
[4] Liguid Crystal Display (LCD) 16 x 2. [online] : http://www.leselektronika.com/2012/06/liguid-crystal-display-lcd-16-x-2.html
Download:
2. Program PDF
4. Diagram Alir
5. Diagram Blok
8. Presentasi
Video Demo :
Nama penulis: Ahmad Jamiluddin Septya Ekavian.
Penulis dilahirkan di Bojonegoro, 30 September 1997. Penulis telah menempuh
pendidikan formal di MI Mansyaul Huda Gunungsari, Baureno, Bojonegoro, SMP Negeri 1 Baureno, SMKN 4 Bojonegoro. Pada tahun 2015 penulis mengikuti
seleksi mahasiswa baru diploma (D3) dan diterima menjadi mahasiswa baru diploma
(D3) di kampus Politeknik Negeri Semarang (Polines) dengan Program Studi D3
Teknik Elektronika, Jurusan Teknik Elektro. Penulis terdaftar dengan NIM. 3.32.15.3.01. Apabila ada kritik, saran dan pertanyaan
mengenai penelitian ini, bisa menghubungi melalui email: ahmadjamiluddin22@gmail.com
Nama penulis: Royand.
Penulis dilahirkan di Pemalang, 9 Maret 1996. Penulis telah
menempuh pendidikan formal di SDN 3 Kebondalem Pemalang, SMP Negeri 2 Pemalang, SMA Negeri 1 Pemalang. Pada tahun 2015 penulis mengikuti seleksi mahasiswa baru
diploma (D3) dan diterima menjadi mahasiswa baru diploma (D3) di kampus
Politeknik Negeri Semarang (Polines) dengan Program Studi D3 Teknik
Elektronika, Jurusan Teknik Elektro. Penulis terdaftar dengan NIM. 3.32.15.3.18. Apabila ada kritik, saran dan pertanyaan
mengenai penelitian ini, bisa menghubungi melalui email: royand99@yahoo.co.id
Nama penulis: Waluyo
Febrianto.
Penulis dilahirkan di Semarang, 14 Februari 1997. Penulis telah
menempuh pendidikan formal di SD Negeri
Tandang 03, SMP Negeri 17
Semarang, SMK
Negeri 4
Semarang. Pada tahun 2015 penulis mengikuti
seleksi mahasiswa baru diploma (D3) dan diterima menjadi mahasiswa baru diploma
(D3) di kampus Politeknik Negeri Semarang (Polines) dengan Program Studi D3
Teknik Elektronika, Jurusan Teknik Elektro. Penulis terdaftar dengan NIM.
3.32.15.3.18. Apabila ada kritik, saran dan pertanyaan mengenai penelitian ini, bisa menghubungi
melalui email: waluyofebrianto01@gmail.com
Nama pengajar Samuel BETA. Beliau mengajar di program studi Teknik Elektronika, Jurusan Teknik Elektro, Politeknik Negeri Semarang. Email : sambetak2@gmail.com














No comments:
Post a Comment